솔라 랙 시스템의 고정 태양 전원 패널에 중급 클램프
구성 요소 : 중간 클램프 + 볼트 + D- 모듈 2. 재질 : 알루미늄 3. 크기 : 30mm, 35mm, 40mm, 46mm, 50mm, 57mm 아래 중간 클램프 치수 Mid Sun Power Panel에서 고정 된 클램프
설명
맞춤형 중반 클램프 고정 태양 전원 패널에 태양열 랙 시스템 무료 샘플 및 견적 및 pricelist 상담, 중국 구성 요소 제조 업체 및 공급 업체, 우리의 제품을 구입을 환영합니다.
솔라 랙 시스템의 고정 태양 전원 패널에 대한 중간 클램프
1. 구성 요소 : 중간 클램프 + 볼트 + D- 모듈
2. 재질 : 알루미늄
3. 크기 : 30mm, 35mm, 40mm, 46mm, 50mm, 57mm
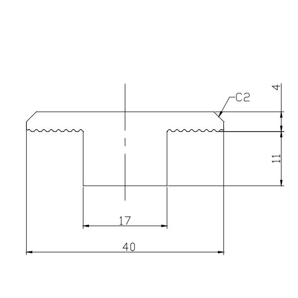
Mid Clamp의 치수는 다음과 같습니다.

Sun Power Panel에서 수정 된 Mid Clamp

이전: 없다
다음: 없다










